Advanced Solar Pump AC Drive Controller for Reliable Water Supply

Customization: Available
Application: High-performance Transducer, Three Phase Transducer, High Frequency Converter Transducer
Output Type: Triple

Product Description

Solar Pump AC Drive Controller
Basic Info.
Model NO.LC880P
Principle of WorkVector Control Transducer
Switch ModeHigh Carrier Frequency PWM Control
Main Circuit TypeCurrent
Voltage of Power SupplyLow Voltage Variable-Frequency Drive
Link of TransformationAC-DC-AC Variable-Frequency Drive
FunctionSimple Type, Textile Special
Input Voltage3AC 380V±15%
Control ModeV/F, SVC, FVC
Rated Power Range1.5-200kw
Frequency0-500Hz
Protection ClassIP20
Product Description
Product Features
Special Purpose: Optimized for Water Pumps and Fans.
MPPT Technology: Built-in MPPT setting for Solar Pump Watering Mode.
Flexible Control: Powerful PID adjustment and removable control panel.
Stepless Speed: 0-500Hz adjustment without traditional gear limits.
Vector Control: High performance, low noise, and excellent energy-saving.
Communication: RS485 interface supporting MODBUS international protocol.
Solar Drive
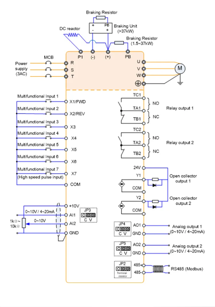
Controller Detail
Specification
Parameter Details
ModelLC880P
Input Voltage3AC 380V 3ph ±15%
Output Voltage0 ~ Rated Input Voltage
Power Range1.5KW - 200KW
Overload CapacityG mode: 150% 60s; 200% 4s
Braking Unit1.5 ~ 30kw: Standard Built-in
PID ControlBuilt-in PID for closed-loop process control
ProtectionsOver-current, Over-voltage, Under-voltage, Overheating, Phase Loss, Overload, Short-circuit
Power Range & Rated Current
Power (kW) Motor (HP) Rated Output Current (A)
1.524.4
2.235.8
4.0510
5.57.513
7.51017
111525
152032
304060
5575110
110150210
200270380
Product Gallery
Inverter View 1
Inverter View 2
Inverter View 3
Inverter View 4
Inverter View 5
Inverter View 6
Frequently Asked Questions
What is the primary function of this VFD?
The VFD controls the speed and frequency of motors. It is widely used in industrial control, automation systems, and solar pump systems to optimize performance and save energy.
How do you ensure the quality of the VFD?
Each unit undergoes four rigorous tests before delivery: AOI test, Pre-test, Aging Test, and a final Whole Test. We hold CE and ISO9001 certifications.
What is the typical delivery time?
Delivery usually takes 7-10 days after receipt of deposit, depending on the order quantity. Stock orders can be shipped within 3-7 days.
How can I choose the right VFD model for my motor?
Please provide the nameplate information of your motor (Voltage, Power, Current). Our technical team will recommend the most suitable model type for your specific application.
Do you offer OEM services?
Yes, we support OEM services including custom logos, labels, and molds. Note that there is a Minimum Order Quantity (MOQ) requirement for OEM projects.
What kind of after-sales support do you provide?
We provide a 1-year warranty for all inverters. Technical support is available 24 hours to assist with any operational or defective accessory issues.

Related Products