Folinn 380V 2.2kw Automatic Pump DC Motor Controller Solar Water Pump Controller

Customization: Available
Application: High-performance Transducer, Three Phase Transducer, General Transducer, High Frequency Converter Transducer
Output Type: Triple

Product Description

ℹ️ Basic Info
Model NO.
H129T40022BX0
Work Principle
Vector Control Transducer
Switch Mode
High Carrier Frequency PWM Control
Main Circuit
Voltage Type
Voltage Supply
Low Voltage Variable-Frequency Drive
Nature of DC
Voltage Variable-Frequency Drive
Function
Solar Pump, Elevator/Textile Special, Universal
Components
IGBT Module
Voltage Range
220V-380V
Product Name
Solar Water Pump Inverter
📝 Product Description
The H129 series photovoltaic water pump special inverter utilizes high-performance vector control technology developed specifically for the photovoltaic water pump industry. It features Maximum Power Point Tracking (MPPT), intelligent sleep and wake-up functions, under-load protection, and water shortage alarms. Designed for easy wiring and reliable operation.
Solar Pump Controller
⚙️ Technical Features
FLEXIBLE APPLICATION Suitable for three-phase asynchronous and synchronous motors. Compatible with various water level switches and sensors. Supports custom application macros.
COST-EFFECTIVE Small compact size for zero-distance side-by-side installation. No battery design reduces maintenance and initial investment costs.
REMOTE MONITORING Standard RS-485 interface with optional GPRS module for remote data monitoring and historical parameter tracking anytime.
SMART AND RELIABLE Built-in intelligent IGBT module with over-voltage, over-load, over-heat, and dry-running protection for 24/7 reliability.
📸 Photo Details
Product View 1 Product View 2 Product View 3
Product View 4 Product View 5
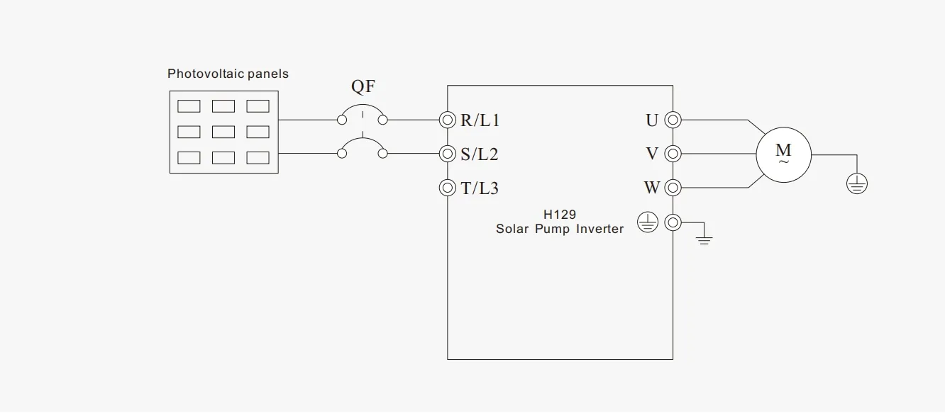
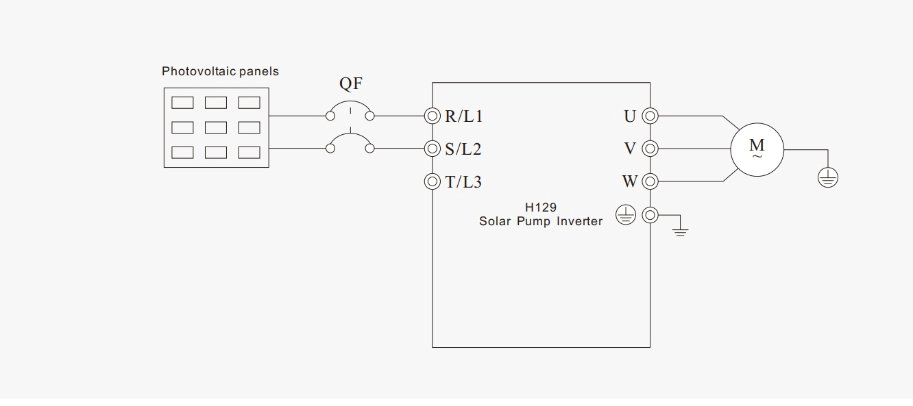
🔌 Connection Diagram
Connection Diagram
📊 Product Parameters
Parameter Chart 1
Parameter Chart 2
Frame No. Dimensions (mm)
W H D A B d
F18517012467.31585
F297194133851845
F31262371471122235
F41682981601542836
F51983551771833386
🏢 Manufacturer Profile
Video Cover
Our facility focuses on high-quality inverter manufacturing with a significant market share in the industry. As a professional manufacturer, we integrate R&D, production, and sales across multiple international centers. With numerous patented technologies and software copyrights, our extensive production area ensures we meet global demand.
Workshop 1 Workshop 2 Workshop 3
📜 Certifications
Certificates
Frequently Asked Questions
Q1: Does this inverter support both AC and DC input?
Yes, our solar pump inverters are designed to handle DC input from PV panels and can also be switched to AC grid power when needed.
Q2: What is the benefit of the MPPT function?
Maximum Power Point Tracking (MPPT) ensures the system extracts the maximum possible power from the solar panels at all times, regardless of weather conditions, optimizing water output.
Q3: Can it run without batteries?
Yes, this is a non-battery design. The inverter drives the pump directly from the solar energy produced, making it more cost-effective and easier to maintain.
Q4: Does the inverter have protection against dry running?
Absolutely. It includes built-in protection functions to stop the pump when a water shortage is detected, preventing damage to the motor.
Q5: Is it suitable for all types of pumps?
It is compatible with most three-phase asynchronous and synchronous motors commonly used in submersible and surface water pumps.
Q6: How can I monitor the system remotely?
The inverter comes with a standard RS-485 interface. You can add an optional GPRS module to monitor system performance and historical data via a mobile app or computer.

Related Products