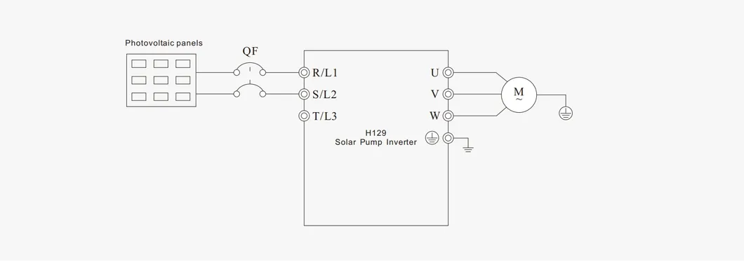
The H129 series photovoltaic water pump special inverter is a high-performance vector control technology developed for the photovoltaic water pump industry. It features maximum power point tracking (MPPT) function, intelligent sleep and wake up function, under load protection, water shortage alarm, and other comprehensive control and protection functions. Designed for easy wiring and simple operation.
- Suitable for three-phase asynchronous motors, three-phase synchronous motors, and mainstream photovoltaic modules.
- Compatible with various water level switches or water level sensors.
- Programmable implementation of complex functions with application macros.
- Long effluent duration and small size for zero-distance side-by-side installation.
- Built-in motor water pump protection functions.
- NO battery design, reducing maintenance costs across various applications.
- Standard RS-485 interface with optional GPRS module.
- Monitor solar pump system and historical parameters anytime, anywhere.
- Vector performance with VF convenience; no need for self-learning of motor parameters.
- Built-in intelligent IGBT module with over-voltage, over-load, over-heat, and dry-running protection.


| Frame No. | W (Width) | H (Height) | D (Depth) | A | B | d |
|---|---|---|---|---|---|---|
| F1 | 85 | 170 | 124 | 67.3 | 158 | 5 |
| F2 | 97 | 194 | 133 | 85 | 184 | 5 |
| F3 | 126 | 237 | 147 | 112 | 223 | 5 |
| F4 | 168 | 298 | 160 | 154 | 283 | 6 |
| F5 | 198 | 355 | 177 | 183 | 338 | 6 |



With a focus on R&D and manufacturing for motor auto controlling products since 1994, the technology has evolved through decades of innovation. Key milestones include ISO9001 and CE approvals, and being recognized for technology innovation in high-voltage and low-voltage inverter sectors.
Our speed sensorless vector control (SVC) algorithm provides superior low-speed stability and stronger low-frequency load capacity. It supports torque control and various PG cards for powerful closed-loop control of asynchronous motors.