Efficient MPPT Solar Pump Controller for Enhanced Water Delivery

Customization: Available
Application: High-performance Transducer, Three Phase Transducer, High Frequency Converter Transducer
Output Type: Triple

Product Description

Solar Pump Controller
MPPT Controller Details
Basic Information
Model NO.
LC880P
Principle of Work
Vector Control Transducer
Switch Mode
High Carrier Frequency PWM Control
Voltage Supply
Low Voltage VFD
Input Voltage
3AC 380V±15%
Rated Power
1.5-200kw
Control Mode
V/F, SVC, FVC
Frequency
0-500Hz
Communication
RS485/Modbus
Protection
IP20
Product Features
  • Specialized Application: Designed specifically for Water Pumps and Fans with optimized performance.
  • Solar Integration: Built-in MPPT setting and Solar Pump Watering Mode for maximum efficiency.
  • 🎮
    Advanced Control: Powerful PID adjustment function and removable control panel for user convenience.
  • Stepless Regulation: Smooth speed adjustment from 0-500Hz, removing traditional gear limitations.
  • 🛡
    Vector Performance: High-current vector control ensuring low noise and excellent energy-saving results.
Product Display
Technical Specification
Parameter Details
ModelLC880P
Input Voltage3AC 380V 3ph ±15%
Output Voltage0 ~ Rated Input Voltage
Power Range1.5KW - 200KW
Overload CapacityG mode: 150% 60s; 200% 4s
Braking Unit1.5~30kw: Standard Built-in
PID ControlBuilt-in for pressure, temperature, and flow loops
ProtectionOver-current, over-voltage, overheating, phase loss, shortcut, etc.
Product Application & Details
Detail 1
Detail 2
Detail 3
Detail 4
Detail 5
Detail 6
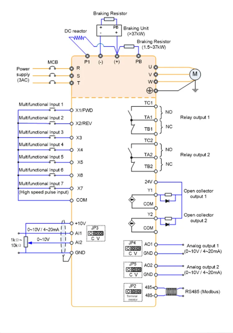
Comprehensive Diagram
Frequently Asked Questions
What is the primary function of this VFD?
The VFD controls the speed and frequency of motors, widely used in industrial automation and solar water pump systems.
How is the quality of the VFD guaranteed?
We hold CE and ISO9001 certifications. Each unit undergoes four rigorous tests (AOI, Pre-test, Aging, and Whole System Test) before delivery.
What is the typical delivery timeframe?
Standard delivery is within 7-10 days after receipt of deposit, depending on the specific order quantity.
How do I choose the correct VFD for my motor?
Please provide the motor nameplate information, and our technical team will recommend the most suitable model type for your needs.
Is OEM service available?
Yes, we support OEM services including custom logos, labels, and molds, subject to Minimum Order Quantity (MOQ) requirements.
What kind of after-sales support do you offer?
We provide a 1-year warranty on all inverters and maintain 24-hour technical support to resolve any defective accessory or operational issues.

Related Products