380V 2.2kw Automatic Pump DC Motor Controller Solar Water Pump Controller

Customization: Available
Application: High-performance Transducer, Three Phase Transducer
Output Type: Single

Product Description

📋 Basic Information
Model NO.
H129T40022BX0
Principle of Work
Vector Control Transducer
Switch Mode
PWM Control
Main Circuit Type
Voltage
Power Supply
Low Voltage Variable-Frequency Drive
Link of Transformation
AC-DC-AC Drive
Function
Simple Type, Elevator Special
IGBT
Yes
Voltage
220V-380V
OEM/ODM
Welcome
📍 Product Description
Solar Water Pump Controller

The H129 series photovoltaic water pump special inverter is a high-performance vector control technology developed for the photovoltaic water pump industry. It features maximum power point tracking (MPPT) function, intelligent sleep and wake-up functions, under-load protection, and water shortage alarms. Designed for easy wiring and seamless operation.

DC Motor Controller
Technical Features
FLEXIBLE APPLICATION: Suitable for three-phase asynchronous and synchronous motors; connects to various water level switches and sensors.
COST-EFFECTIVE: Small size for zero-distance side-by-side installation; built-in pump protection; battery-free design.
REMOTE MONITORING: Standard RS-485 interface with optional GPRS module for real-time parameter tracking.
SMART & RELIABLE: Integrated intelligent IGBT module with over-voltage, over-load, over-heat, and dry-running protection.
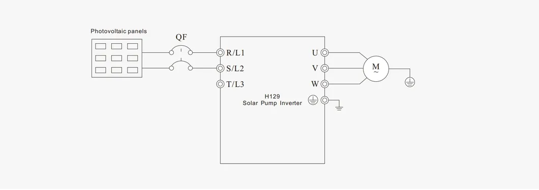
🔗 Connection Diagram
Connection Diagram
📊 Product Parameters
Technical Specifications 1 Technical Specifications 2
Frame No. W (Width) H (Height) D (Depth) A B d
F18517012467.31585
F297194133851845
F31262371471122235
F41682981601542836
F51983551771833386
🏭 Profile
Manufacturing Base

Founded in 1994, the enterprise is located in a well-known manufacturing base in the Yangtze River Delta. As a Hi-Tech Enterprise, the focus remains on R&D, manufacturing, sales, and service for motor auto-controlling products. Specializing in HV and LV inverters, servo drive products, and new energy solutions, the company concentrates on driving technology improvement and device manufacturing.

Quality Management
Why Choose Us
Advantages

Advanced Control: New speed sensorless vector control (SVC) algorithm for better low-speed stability and stronger low-frequency load capacity.

Safety Features: "Excavator" feature automatically limits torque to prevent frequent over-current trips.

Versatility: Supports differential encoders, UVW encoders, and resolvers; built-in PLC allows for up to 16 segment speeds cycle switching.

Efficiency: Built-in braking units for 0.75~22KW specifications allow for rapid stopping via braking resistors.

Frequently Asked Questions
Q1: What types of motors are compatible with the H129 series inverter?
A: It is compatible with three-phase asynchronous motors and three-phase synchronous motors, as well as mainstream photovoltaic modules.
Q2: Does the solar pump system require a battery?
A: No, the system is designed with a "NO battery" configuration, making it suitable for various applications and easier to maintain.
Q3: How does the MPPT function benefit the system?
A: The Maximum Power Point Tracking (MPPT) function ensures the inverter extracts the maximum possible power from the solar panels at all times.
Q4: Can I monitor the pump system remotely?
A: Yes, the unit comes with a standard RS-485 interface and supports an optional GPRS module for remote monitoring of historical and real-time parameters.
Q5: What built-in protections does the inverter have?
A: It includes an intelligent IGBT module with protection against over-voltage, over-load, over-heat, and dry-running conditions.
Q6: Does it support fast emergency stopping?
A: Yes, models from 0.75KW to 22KW feature built-in braking units that allow for quick stops when connected to a braking resistor.

Related Products