1 / 5
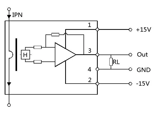
CHK_LB15D4 series Hall Effect Open Loop Current Sensor is a current measurement device based on the hall effect principle. A Hall-effect device (HED) produces an output voltage linearly related to the amplitude and phase of a magnetic field applied to it.



| Electrical Data (Ta=25ºC, Vc=±15VDC, RL=10KΩ) | |||||
|---|---|---|---|---|---|
| Parameter Ref | CHK50LB15D4 | CHK100LB15D4 | CHK150LB15D4 | CHK200LB15D4 | CHK300LB15D4 |
| Rated input Ipn(A) | 50 | 100 | 150 | 200 | 300 |
| Measuring range Ip(A) | 0~±150 | 0~±200 | 0~±300 | 0~±400 | 0~±450 |
| Output voltage Vo(V) | ±4.0 * (IP/IPN) | ||||
| Accuracy XG(%) | < ±1.0 (@IPN, T=25°C) | ||||
| Response time tra(µs) | < 3.0 (@90% of IPN) | ||||
| Bandwidth Bw(KHZ) | DC-20 (@-3dB) | ||||
| General Data | |
|---|---|
| Operating temperature TA(°C) | -40 ~ +85 |
| Storage temperature TS(°C) | -55 ~ +125 |
| Plastic material | PBT G30/G15, UL94-V0 |
| Mass M(g) | 25 |


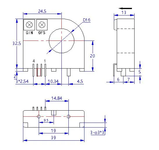
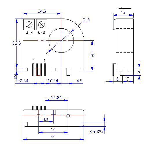
General tolerance: < ±0.5mm
Primary through-hole: D16.0 ±0.15mm
Secondary Connection: 5pin 0.635*0.635



Package: All sensors are packed with bubble wrap and sturdy cartons. (Bubble packing → 4 small cartons → 1 large carton). Neutral packing or OEM options available.
Shipping: Products are shipped via UPS, DHL, FedEx, TNT (door to door), or air/sea shipment for larger quantities. Standard lead time is 3-7 days for quantities under 1000PCS.